产品展示
当前位置:首页 > 产品信息 > Y50X系列圆形电连接器 > Y50X系列圆形电连接器

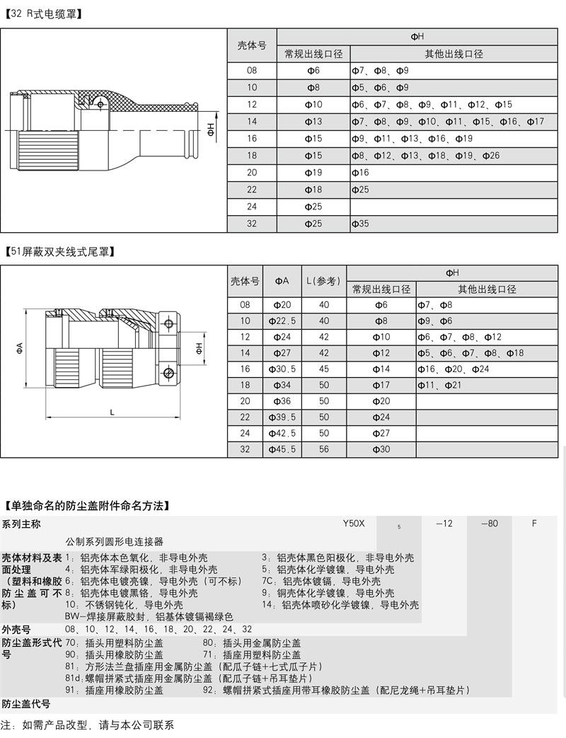
Y50X系列圆形电连接器


服务电话:

13951173214

泰兴润翔光电科技有限公司

联系人    朱经理

服务热线    [seo:companymobile1

网站地址    www.txrxgd.com

公司地址    江苏省泰兴市佳源新天地2号10幢107室

手机官网

新闻中心+